Yıldız-Üçgen Yolverme Nedir? 3 Fazlı Asenkron Motorlar için Kumanda ve Devre Şemaları
Yıldız üçgen motorlarda kalkış akımını düşürmek için yol verme yöntemini uygulamak en ekonomik sistemdir. 3 fazlı asenkron motora yıldız-üçgen yol verme için, yıldız-üçgen yol verme (demaraj) şeması elektroteknikte çok kullanılır. Bu tip yol verme, direkt yol verme riskini ortadan kaldırmak için kullanılır.
Direkt Yol Verme Riski
Direkt yol vermede elektrik motorunun ilk etapta çektiği akım, normal çektiği akıma göre 5 ila 7 kat daha fazladır. Koruma hatlarındaki (kontaktör, termik röle, elektrik sigortası, şalter, klemens, kablo gibi) malzemelerin çabuk yıpranmasına neden olur. Bu olumsuzlukları önlemek için yıldız üçgen yol verme yöntemi kullanılır.
Elektrik motorunun üçgen bağlı çalışma gerilimi, şebeke gerilimine eşit olduğu zaman bu yöntemle yol verilir. Üçgen gerilimi, şebeke gerilimi ile aynı olmalıdır.Yıldız çalışmadan, üçgen çalışmaya geçiş zamanı çok kısa olmalıdır. Örnek olarak, ülkemizde şebeke gerilimi 380 volt olduğuna göre yıldız-üçgen yol verilecek motorun etiketinde yazılı olmalıdır. Yani 380 volt şebekede üçgen bağlı çalıştırılır.
Yıldız-üçgen yol vermenin amacı motoru kalkış anında yıldız bağlı çalıştırmak ve kalkışını tamamlayan motoru 5 -10 saniye gibi bir zamanda normal bağlantısı olan üçgen bağlantıya geçirerek çalıştırmaktır. Yıldız-üçgen yol verirken, yol verilmesi gereken motorun, üç adet üçgen klemens köprüleri sökülür.
Yıldız-Üçgen Yol Verme
Kalkış anında motor, yıldız bağlı çalıştırıldığı için, motor sargılarına uygulanan gerilim U/√ 3 değerine, motorun şebekeden çektiği akımsa 1/3 değerine düşmektedir. Motor sargılarının gerilimi azaldığı için momenti düşer. Kusursuz bir yıldız-üçgen yol verme devresi, motorun yük momentinin, yıldız bağlamadaki motor momentinden büyük olmaması ve yıldız bağlamadaki zamanın uygun olması lazımdır. Geçiş süresi önemlidir. Yıldız bağlı olan motor, anma devir sayısına ulaştığı zaman, üçgen bağlantıya geçme süresi kısa olmalıdır.
Yıldızdan üçgen bağlantıya geçerken üçgen kontaktörün kapama akımı küçük, yıldızdan üçgene geçiş darbesiz olmalıdır. Aksi durumda, üçgen bağlantıya geçerken akımda kalıcı olmayan kontaktör kontaklarında yüksek kıvılcım görülür ve kontaktörün kontakları yüksek ısıdan birbirlerine yapışabilir. Motorun yıldız çalışmasında yük momenti büyük ise motor kalkınamaz. Bunun için motor yıldız üçgen çalıştırılarak yük momentinin daha kolay kalkınması sağlanır.
Yıldız olarak çalışan motorun (λ/Δ) yıldız-üçgen yol vermede, devir sayısı ortalama anma devir sayısına yaklaştığı anda, üçgen haline geçilmiş olur. Bu sırada iki önemli olay meydana gelir. İlk olarak; motorun yıldız çalışma süresi, ikinci ise üçgen bağlantıya geçiş süresidir. Motor boşta (yüksüz) çalışmaya başladığı anda devir sayısı sıfırdan başlayarak anma devir sayısına kadar artar. Anma devrine yaklaştığı zaman, devir sayısı yıldızdan üçgen bağlantıya geçer. Eğer devir sayısı yükselmeden üçgen bağlantıya geçilirse motor, şebekeden fazla akım çeker.
Bu sebeple motorun yıldız bağlantıda, normal devrine yaklaşması için belli bir zamanın geçmesi lazımdır. Geçen bu zaman motorun gücüne göre değişir ve bu süre maksimum 8-10 saniye kadardır. Diğer taraftan motor, yıldız bağlıyken normal devrine ulaştığında üçgen bağlantıya geçmezse, normal çalışma momentinin 1/3’ü oranında bir moment ile çalışır. Eğer anma yükü ile yüklenirse, motor yük momentini karşılayamaz duruma gelir. Yıldız bağlantıdan üçgen bağlantıya geçiş süresi hızlı olmalıdır.
- Geçiş süresi uzarsa devir sayısında düşme olur.
- Üçgen bağlantıya geçerken darbe biçiminde hızlı akım artışı meydana gelir.
Bu gibi durumların oluşmaması için motorun yük momenti, yıldız bağlantıdaki kalkınma momentinden küçük olmalı ve yıldız bağlantıda üçgen bağlantıya geçiş süresinin az olmasına dikkat edilmelidir.
Motorların yıldız çalışma süresi;
- Üçgen bağlı motor yüksüz çalıştırılır.
- Çalıştığı ilk anda yüksek akım çekeceğinden, motor normal devrine ulaştığı zaman bu akım normal çalışma akımının düşmesini sağlar.
- Motorun çektiği yüksek akımdan normal çalışma akımına düşmesine kadar geçen süre motorun yıldız-üçgen yol vermedeki yıldız- üçgen çalışma süresidir.
- Sürenin belirlenmesi bir kronometre ve ampermetre yardımı ile olur.
Yıldız Bağlantı
Stator sargıların giriş uçları olan U,V,W’ ye 3 faz (RST) gerilim uygulanıp sargıların çıkış uçları olan Z, X, Y kısa devre edilirse bu bağlantıya yıldız bağlantı adı verilir. Yıldız bağlantı λ şeklinde gösterilir.
Yıldız bağlantı, sargıların Z, X, Y uçlarına şebeke gerilimi uygulanıp U, V, W uçları kısa devre edilerek de yapılabilir. Bu durum, motorun çalışmasında herhangi bir değişiklik oluşturmaz.
Yıldız bağlantı λ
Yıldız bağlantı sargılar arasında 120º faz farkı olduğundan hat gerilimi faz geriliminin 3 katıdır. Hat akımı ise faz akımına eşittir.
Yıldız bağlantı λ ve özellikleri aşağıdaki resimde gözükmektedir.
Sargı gerilimi 220 volt olarak yapılan 3 fazlı motorlar, 3 fazlı 380 volt şebekede yıldız bağlanır. Bu durum, motorların etiketlerinde Δ 220 volt /Y 380 volt veya yalnız Y 380 volt şeklinde yazılır.
Üçgen Bağlantı
Motor klemensi üzerindeki birinci fazın çıkış ucu ikinci fazın giriş ucu ile, ikinci fazın çıkış ucu üçüncü fazın giriş ucu ile, üçüncü fazın çıkış ucu birinci fazın giriş ucu ile bağlanırsa bu şekilde bağlantıya üçgen bağlantı denir.
Üçgen bağlantı Δ
Klemens bağlantı kutusu konusunda uçların karşılıklı gelmemelidir. Uçların karşılıklı gelmesi, yıldız bağlantı durumunda sorun çıkartmadığı halde üçgen bağlantı durumunda sakıncalıdır. Yukarıdaki şekilde olduğu gibi uç bağlantıları pirinç köprülerle yapılırken U-X, V-Y, W-Z uçları birleştirilirse sargı uçları kısa devre edilir ve birer uçları boş bırakıldığı için herhangi bir akım geçişi olmaz ve motor çalışmaz. Bu sebeple uçlar UVW, zxy sırası ile bağlanır ve pirinç köprülerle Uz, Vx, Wy uçları kısa devre edilir.
Üçgen bağlantının sembolü (Δ) şeklindedir. Bu bağlantıda hat akımı, faz akımının 3 katıdır. Üçgen bağlantıda hat gerilimi faz gerilimine eşittir. Aşağıdaki şekildeki gibi. Motor etiketinde (Δ) 380 V yazan motorlar üçgen bağlanır. Motor etiketinde 220/380 Volt yazması, bir faz sargısına yıldız çalışması durumunda 220 Volt; üçgen çalışması durumunda ise 380 Volt uygulandığını anlatır.
Üçgen bağlantı Δ ve özellikleri
Not : Bir şebekede üçgen bağlı olarak çalışacak motor, aynı şebekede yıldız bağlı (Y) olarak çalıştırılabilir. Fakat bu durumda motorun gücü ve momenti düşer. Bu özelliğinden dolayı asenkron motorların kalkış anında çektikleri fazla akımı azaltmak için yıldız-üçgen yol verme yöntemi uygulanır.
Dikkat: Şebekede yıldız bağlı çalıştırılması istenen motor, yanlışlıkla üçgen bağlı çalıştırılması durumunda sargılarına üç katı büyük gerilim uygulanmış olur. Gerilimdeki artış oranı kadar sargı akımı büyüyeceği için motor aşırı akım çeker ve kısa sürede ısının artması ile sargılar yanar. Bundan dolayı yıldız bağlı çalışması istenen motor, kesinlikle aynı şebekede üçgen bağlı çalıştırılamaz.
Yıldız-Üçgen Çalışmada Termik Sigorta Kontaktör Seçimi
Yıldız-üçgende yol verme, kontaktör ve termik önemli bir yer alır. Büyük seçilen kontaktör ekonomik değildir. Termik, uygun ayar akım değerinde olmazsa görev yapamaz. Yıldız – üçgen yol verme yönteminde kullanılan enerji kontaktörü ile üçgen kontaktöründen motorun faz akımı (I /√ 3 ) geçer. Yıldız bağlama kontaktöründen ise, motor akımının 1/3’ü kadar akım geçer.
Devrede kullanılması gereken kontaktörlerin seçimi yapılırken, sigorta seçimi yapıldığı gibi, motor anma akımının bir üst akım değeri alınmalıdır. Örnek olarak, motorun etiketinde I=18A yazarsa, kontaktör anma akımı (Ie) 22 A seçilmesi gerekir. Kontaktör anma akımının değeri daha büyükse (Örnek olarak 32A) seçildiğinde kontaklar, meydana gelen kıvılcımdan dolayı daha az yıpranır. Kontaktör daha uzun ömürlü olur. Termik ayarlanırken, motor akımının 1/√ 3 değerine ayarlanmalıdır yada termik maksimum 1.2 katı kadar bir ayar yapılmalıdır. Sigorta seçilirken, motor anma akımının üstündeki sigorta değeri seçilmelidir. Kullanılacak olan sigorta eğer otomatikse bu sigortanın gecikmeli cins ( G cinsi) olması gerekmektedir.
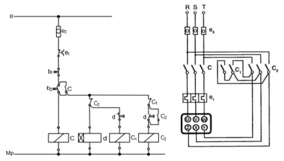
Otomatik Yıldız-Üçgen Çalışması
Motora yıldız üçgen yol verme
Yıldız – üçgen kumanda şeması
Şekilde otomatik yıldız-üçgen yol verme kumanda devresi verilmektedir. Yıldız – üçgen kumanda şemasında; devredeki (b2) butonuna bastığımız zaman C kontaktörü çalışmaya başlar ve kumanda devresinde b2 butonundaki parelel bağlı C kontaktörünün C kontağını mühürler. Aynı anda C1 (λ) kontaktörü ve (d) zaman rölesi devreye girer. Güç devresindeki motora şebeke gerilimi uygulanmış olur.
C1 (λ) kontaktörü enerjilenmiş olur ve kontakların pozisyonu değişir. Yıldız ( λ ) C1 kontaktörü motorun Z-X-Y uçlarını kısa devre ettiği için, motor ilk anda λ olarak çalışmaya başlar.
(λ çalışma süresi) ayarlanan süre sonucunda (d)zaman rölesi (λ) kontaktörüne seri olarak bağlı olan d kontağını açarak, Δ kontaktörüne seri bağlı olan (d) kontağını da kapalı hale getirir. Bu halde motor λ bağlantıdan ayrılır Δ bağlanır ve C2 kontaktörü C2 kontağını kilitler.Bu şekilde motor çalışmasını sürdürür.
Elektriksel kilitleme λ ve Δ kontaktör bobinlerine seri bağlı olan Δ ve λ kontakları elektriksel kilitlemeyi sağlar. d ve C1 kontaktörüne seri bağlı olan normalde kapalı C2 kontağı devreyi açarak üstündeki enerjiyi keser. Motor bu şekilde üçgen (Δ) çalışmaya devam eder. Motorun enerjisi (b1) butonuna basıldığı zaman enerji kesilir ve sistem durur.
Devrenin yeniden çalışması için b2 butonuna basılmalıdır.
Herhangi bir nedenle aşırı akım rölesinin e1 kontağı açıldığı zaman ve şebeke enerjisi kesildiği zaman motor durur.
NOT: Bir otomatik kumanda kuralı olarak, görevi biten devre elemanlarının devre dışı bırakıldığına dikkat ediniz.
ASENKRON MOTORLARDA KUMANDA VE GÜÇ ELEMANLARI SEMBOLLERİ
380 V Faz Asenkron Motorlarda Direk Yolvermede Ana Şartel, Kontaktör, Termik, Kablo Seçim Listesi
Not: Verilen değerler bilgi için verilmiştir. Alınan akım, verim vs değerler marka ve modellere göre değiştiğinden kullanılacak veya alınan ekipmanların imalatçı değerleri esas alınması uygundur.
Faydalı bilgiler : Kablo Seçim Cetveli | PLC | HMI | SCADA | Endüstri 4.0 | Servo motor | AC motor | Step motor | DC motor | Loadcell | Konveyör | Profinet | Direnç değeri okuma |














Yorum Yok